產品名稱:TTL轉RS-485/422(3.3V)模塊
規格型號:UT-M3482
RS-422信號:T+、T-、T/R+、T/R-
RS-485信號:485+、485-
TTL信號: RXD、TXD、GND
防浪涌保護:RS-485/422總線600W
產品概述:
UT-M3482系列隔離收發器模塊,是集成電源隔離、電氣隔離、RS-485/422接口芯片 具有隔離及總線保護功能于一身;方便嵌入用戶的設備 使產品具有連接到RS-485/422網絡的功能。該系列模塊采用灌封工藝,具有很好的隔離特性,隔離電壓高達1000V DC??捎糜诠I通訊、煤礦行業、電力監控、樓宇自動化、石油化工、PLC 與變頻器的通信。
產品參數:
| 輸入電壓 | DC3.15~3.45V | |
| 電流 | 模塊靜態電流 | ≤50mA |
| 模塊發送電流 | ≤80mA | |
| RS-485總線接口 | RS-422總線接口:標準RS-485/422接口,具有ESD總線保護功能,內置4.7K上下拉電阻,雙絞線輸出,浪涌保護功能600W | |
| 總線驅動能力 | 每路RS-485/422網絡至少32個節點 | |
| 串行接口 | 兼容+3.3V 標準UART接口 | |
| 輸入數據波特率 | 最大115200bps | |
| 數據延時 | 從接收數據切換到發送數據延時時間:最小30μs,最大100μs | |
| 隔離電壓 | 1000VDC | |
| 工作環境 | 溫度范圍 | -40℃~+85℃ |
| 濕度 | 5~95%不結露 | |
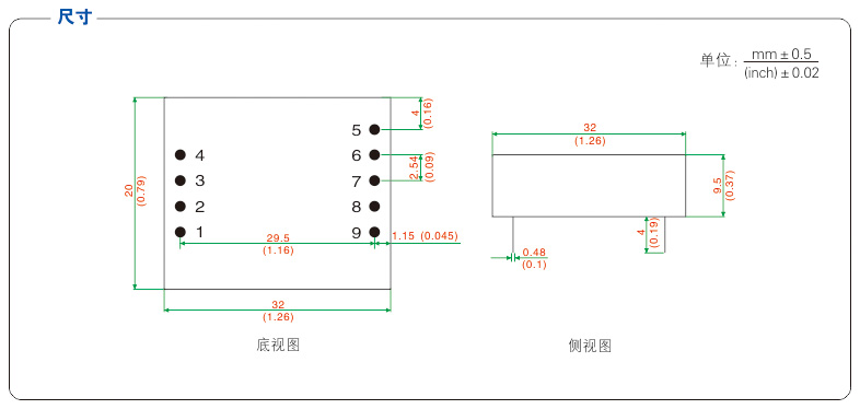
| 尺寸 | 32×20×9.5mm±0.5mm | |
訂購信息:
| 型號 | TU-M3482 | |
| 信號接口 | TTL | 3.3V |
| RS-485/422 | √ | |
| 接口保護等級 | RS-485/422 | 600W浪涌 |
| 通訊速度 | 300bps-115.2kbps | |
| 使用環境 | 溫度 | -40/85℃ |
| 濕度 | 5-95% | |
| 電源 | 無源 | |
產品尺寸:

典型電路示意圖:


注:UT-M3482不兼容5V TTL電平。
400-1144-149